Táirgí

Vtz -12 1250 breaker ciorcaid i bhfolús
{2. Reatha rátáilte: 1250A
Meicníocht Oibriúcháin {3.: Meicníocht Oibríochta Modúlach .
Modh suiteála {4.:
{4. Comh -aireachta comhoiriúnach: comhoiriúnach le kyn {28-12 lascthrealamh, xgn -12 caibinéid sheasta, hxgn {-12 Sraith Príomh -Aonaid Fáinne {.
{5. Comhlíonadh táirge le caighdeáin: gb/t 1984-2014, gb/t 11022-2011.
{6. Buntáistí Táirge: e {2- C {2- M2 Feidhmíocht, Cothabháil Áisiúil, Feidhmíocht Ard -Seoltacht, Raon Iarratais Leathan, agus tacaíonn sé le Saincheapadh Cliste .
VTZ -12 1250 Is é atá i mbreacán ciorcaid i bhfolús (samhail speisialta de Tongzhong Electrical Co ., LTD .) ná lasc -eagrach faoi dhíon do voltas rátáilte 12kV, 1250A, AC 50/60Hz {{}}} Glacann sé le Meicníocht Mhodúl agus le Miontorraíocht mar Mhodhra mar Mhodhraíocht mar Mhodhraíocht le haghaidh Meicníocht le haghaidh Innealtóireachta agus Mining Enterial Enterial agus Mining Enterial mar atá ag ITRION ITRIONS IN AISCE ITRIONS IN ATHBHREITHNITHE MAIDIR LE DO THIONSCAIL AGUS MANTION ITREACHT ITRIAN DO Tionscnamh agus Mining Educing, Trealamh . Is féidir é a úsáid mar aonad láimhe le húsáid le lascthrealamh Kyn28a -12, nó mar aonad seasta le hidirnasc mheicniúil ábhartha, rud a chiallaíonn go bhfuil sé oiriúnach do XGN2 agus caibinéid sheasta eile .
Sonraíochtaí Táirgí
Sonraíocht Scoithleach
|
Níl . |
Ainmnigh |
Aonad |
Sonraí |
|
1 |
Voltas rátáilte |
KV |
12 |
|
2 |
Minicíocht Rátáilte |
Hz |
50/60 |
|
3 |
RátáilteCurghnách |
A |
1250 |
|
4 |
RátáiltePinteerFiarrachtWIhhVolalann |
KV |
48 (trasna na mbearnaí teagmhála) / 42 (go talamh) |
|
5 |
RátáilteLightningImpulseWIhhVolalann |
KV |
75 |
|
6 |
RátáilteSgairneoir-CithiseBfánaíochtCurghnách |
ka |
25/31.5/40/50 |
|
7 |
Rátáilte Sgairneoir-CithiseMAsúchánCurrent (PBAILE) |
ka |
63/80/100/125 |
|
8 |
RátáilteWIhhCurrent (PBAILE) |
ka |
63/80/100/125 |
|
9 |
RátáilteDuration deSgairneoir-Cithise |
s |
4 |
|
10 |
OibriúCycles agRatedSgairneoir-CithiseBfánaíochtCurghnách |
Timthriallacha |
E2 |
|
11 |
MeicniúilENDurance |
Amanna |
30000 |
|
12 |
Oibríocht chaighdeánachScothromas |
- |
O {-0.3 s-co {-180 s-co |
|
13 |
Incheadaithe WcluasTHickness deClean |
mm |
Níos lú ná nó cothrom le 3 |
MeicniúilCaetráchtaí
|
Níl . |
Ainmnigh |
Aonad |
Sonraí |
|
1 |
Imréiteach idirBhog agus socraithe Clean |
mm |
9±1 |
|
2 |
LionsaTréadaigh |
mm |
3.5±0.5 |
|
3 |
Ar an meánCa chailleannScorca |
m/s |
0.7±0.2 |
|
4 |
Ar an meánOpeannScorca (AfeinéirScorcaden chéad oscailti6mm) |
m/s |
1.1±0.2 |
|
5 |
RátáilteClean Brú |
N |
2500±200N(25ka) 3100±200N(31.5ka) 4800±300N(40ka) 6000±500N(50ka) |
|
6 |
Am Deiridh |
mire |
30-70 |
|
7 |
Am oscailt |
mire |
20-50 |
|
8 |
LionsaBouncingDuration agCa chailleannOrathúlacht |
mire |
Níos lú ná nó cothrom le 2 |
|
9 |
Nílimultaneity deDúnadh/Opeann Oibríochtaíde 3-Púsáid |
mire |
Níos lú ná nó cothrom le 2 |
Buntáistí Táirgí
VTZ -12 1250 Tá go leor buntáistí ag breaker ciorcaid i bhfolús:
Feidhmíocht Breaker Cuarda:
E2-C2-M2
Cothabháil áisiúil:
Ceadaíonn an dearadh meicníochta modúlach athsholáthar éasca a dhéanamh ar na cornaí dúnta agus oscailte gan an gá le comhpháirteanna eile a dhíchóimeáil . Cuireann sé seo deireadh leis an ngá atá le tástáil nó coigeartú tar éis athsholáthair, ag cinntiú go n -athróidh úsáideoirí iad go neamhspleách, ag déanamh cothabhála ina dhiaidh sin níos áisiúla .}
Feidhmíocht ard seoltachta:
Tá ciorcad seoltaí dea-dheartha sa táirge a fhreastalaíonn ar 1 {. 1 uair an leibhéal ardú teochta reatha.
Raon iarratais leathan:
Tá raon iarratais leathan ag an tsraith táirgí, sruthanna rátáilte ó 630A go 5000A, agus tá sé oiriúnach do gach timpeallacht laistigh de airde 4500 méadar agus teochtaí oibriúcháin ó -40 go dtí 4500 céim . ó {{6} céim go dtí 4500 céim.
Tacaíonn sé le saincheapadh cliste:
A . Is féidir leis tuaslagán monatóireachta teochta gan sreang a chur le dearadh féinchumhachtaithe chun oibríocht sábháilteachta agus saor ó chothabháil a chinntiú .
B . Tá réiteach monatóireachta meicniúil aige chun monatóireacht fíor-ama a sholáthar ar shonraí oibriúcháin breaker ciorcaid chun fadhbanna féideartha a bhrath agus a réiteach go luath .
C . Tá tuaslagán iontrála comh -aireachta mótair aige chun oibriú cianda chun sábháilteacht phearsanta a chinntiú .
D {. Is féidir aosú comhpháirt fíor-ama a bhrath trí thástáil urscaoilte páirteach .
Iarratais Táirgí
Líníocht imlíne táirge

Figiúr 1: Toisí Imlíne Líníocht de Chineál In -aistarraingthe

Figiúr 2: Toisí Imlíne Líníocht de Chineál Seasta (630-1600 a)

Fíor 3: Toisí imlíne líníocht de chineál seasta ({2000-4000 a)
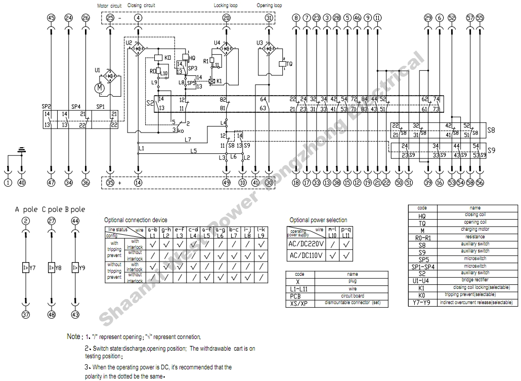
Léaráid sreangaithe thánaisteach

Fíor 4: Léaráid sreangaithe tánaisteach de chineál aistarraingthe

Fíor 5: Léaráid sreangaithe tánaisteach de chineál seasta
Clibeanna Te: VTZ -12 1250 breaker ciorcaid folúis, an tSín VTZ -12 1250 monaróirí, soláthróirí, monarcha i bhfolús
-
VTZ/CS-12 Folússcrúdóir Ciorcaid le Meicníocht Oibriúchái...féachaint níos mó> -
VTZ-17.5 Folús-Scrúdóir Ciorcaidféachaint níos mó> -
ZN39-40.5 Folús-Scrúdóir Ciorcaidféachaint níos mó> -
Breaker Ciorcad Fholúis 12KV le meicníocht oibriúcháin cl...féachaint níos mó> -
Vs 1-12 630 breaker ciorcaid folúis le meicníocht oibriúc...féachaint níos mó> -
VS 1-24 breaker ciorcaid folúis le meicníocht oibriúcháin...féachaint níos mó>







